
Як підключити двотарифний лічильник?
Як встановити двозонний лічильник та перейти на нічний тариф Встановленням двозонних лічильників займаються облгази. Споживачам потрібно подати заяву до обленерго на встановлення нового лічильника. Потім потрібно самостійно купити прилад і чекати на прихід майстра, який вам безкоштовно його встановить.
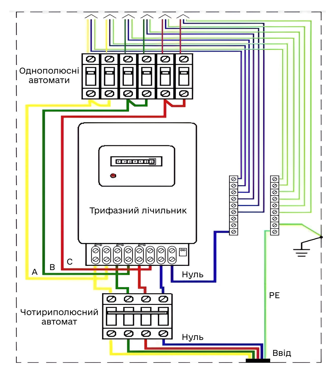
Що означає на лічильнику L1, L2, L3?
Фаза "А" позначена жовтим кольором, фаза "В" – зеленим, фаза "С" – червоним, нульовий провід "N" – синім кольором; L1, L2, L3 – струмові котушки; L4, L5, L6 – котушки напруги; 2, 5, 8 – гвинт напруги; 1, 3, 4, 6, 7, 9, 10, 11 – клеми для підключення електропроводки до лічильника.
Що таке Т1, Т2, Т3?
Як правило, позначення мають такий або схожий вигляд: Т1 — піковий час; Т2 — напівпіковий період; Т3 — ніч.
Скільки коштує підключити двозонний лічильник?
Для отримання послуги клієнт має придбати лічильник та оплатити вартість послуги із заміни засобу обліку, що станом на 1 червня 2024 року становить 479,80 грн для однофазних лічильників та 749,20 грн для трифазних.
Встановлювати двозонний лічильник мають право виключно спеціалісти з регіональної компанії або обленерго. Саме вони проведуть усі потрібні …
Лічильник повинен відповідати стандартним розмірам монтажної ніші або місця встановлення, які є у Вашому будинку чи квартирі. Лічильник повинен …
У цій статті ми розповімо про переваги зонного обліку електроенергії, а також про алгоритм заміни електролічильника.